产品中心正心机器致力于产品的研发和创新
您当前的位置:首页 > 产品中心 > 产品中心
标准型 HS220
产品特点
产品应用

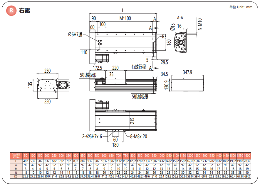
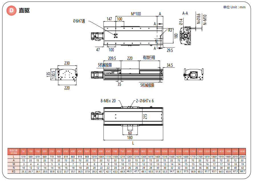
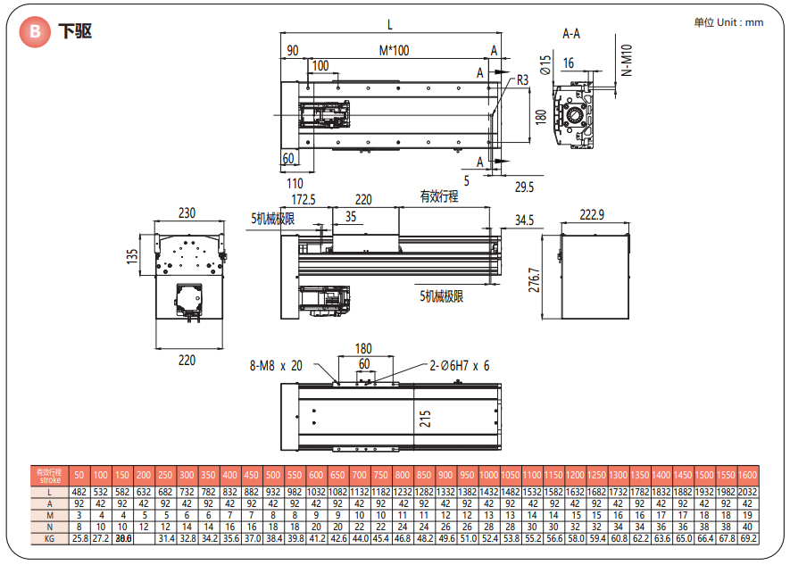
本体宽度 220mm

最大行程 1600mm

最大负载 150KGimage.pngimage.pngimage.pngimage.pngimage.png

电话
首页
二维码